chevron_left
Menu
Turck
search
Loading
add_shopping_cart
chevron_left
Menu
Home
Products
person
Login
add_shopping_cart
FKFD54PK-1/M16 | TURCK - Your Global Automation Partner
arrow_back_ios
arrow_forward_ios
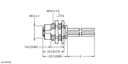
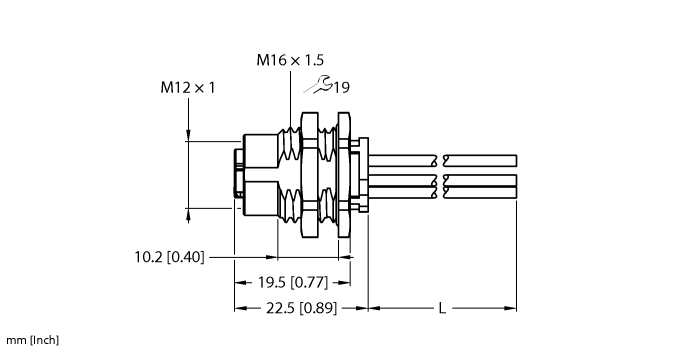
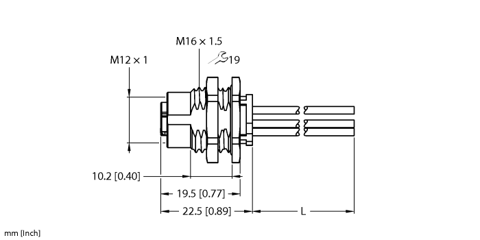
M12 Power Flange
FKFD54PK-1/M16
Order ID no. 100028359
home
Home
Loading...
Technical Data
Application
Power
Connector A
Female, M12 × 1, K-coded
Number of pins
4+FE
Receptacle housing material A
Brass
Screw-in thread
M16 × 1.5
Voltage (V)
630
Current (A)
12
Approvals
cULus recognized
Number of Conductors
5
Key Features
Connector A
Female, M12 × 1, K-coded
Number of pins
4+FE
Receptacle housing material A
Brass
Screw-in thread
M16 × 1.5
In Stock
Price Group
K1
List Price
€37.00
home
Turck-Shop
Connectivity
Receptacles
FKFD54PK-1/M16
Item Total
€37.00
Quantity
−
+
add_shopping_cart
Add to Cart
Contact Support