chevron_left
Menu
Turck
search
Betöltés
add_shopping_cart
chevron_left
Menu
Kezdőlap
Termékek
person
Bejelentkezés
add_shopping_cart
FCS-G1/2A4-NAEX/AL065 | TURCK – Az Ön globális automatizálási partnere
arrow_back_ios
arrow_forward_ios
Flow Monitoring
FCS-G1/2A4-NAEX/AL065
Rendelési azonosító sz. 6870324
home
Home
Loading...
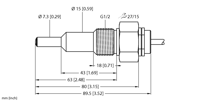
Műszaki adatok
Protection class
IP67
Cable length (m)
2
Cable color
Blue
Approvals
ATEX, CE, UKCA, GOST
Design
Immersion
Process connection
G 1/2''
Medium
gases
Detection type
Calorimetric
Electrical connection
Cable
Housing material
Stainless steel
Housing quality
1.4571 (AISI 316Ti)
Media temperature min. (°C)
-20
Media temperature max. (°C)
85
Mounting conditions
Immersion sensor
Főbb jellemzők
Process connection
G 1/2''
Raktáron
Árcsoport
D2
Listaár
486,00 EUR
home
Turck-Shop
Sensors
Flow Sensors/Flow Meters
FCS-G1/2A4-NAEX/AL065
Tétel összesen
486,00 EUR
Mennyiség
−
+
add_shopping_cart
Hozzáadás a kosárhoz
Ügyfélszolgálat felkeresése