chevron_left
Menu
Turck
search
Betöltés
add_shopping_cart
Kezdőlap
Termékek
person
Bejelentkezés
PT7500PSIG-2105-U6-MP11 | TURCK – Az Ön globális automatizálási partnere
Pressure Transmitter
PT7500PSIG-2105-U6-MP11
Rendelési azonosító sz. 100048448
home
Home
Loading...
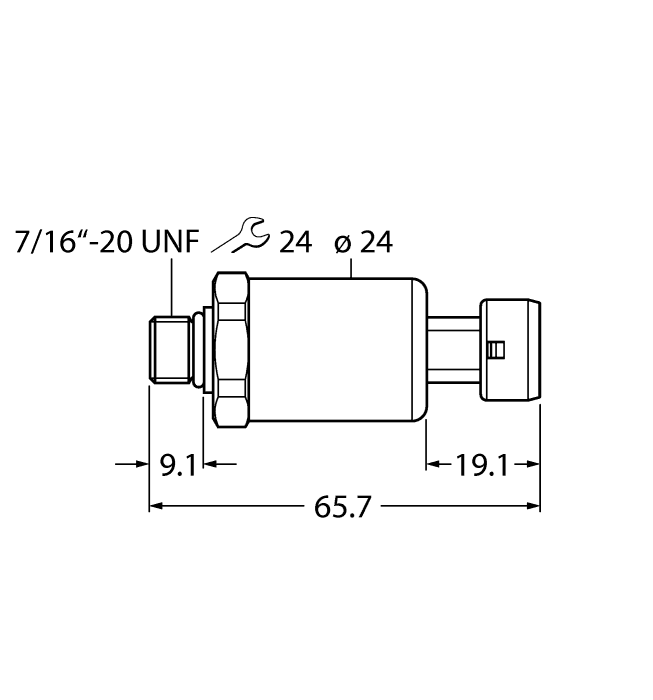
Műszaki adatok
Protection class
IP67
Output function
ratiom. 10…90%
Design
Without display
Process connection
7/16″-20 UNF male thread
Electrical connection
Connector
Connector type
Metri Pack 150 P2S series
Housing material
Stainless-steel/Plastic
Housing quality
1.4404 (AISI 316L)/polyarylamide 50 % GF UL 94 V-0
Media temperature min. (°C)
-40
Media temperature max. (°C)
125
Ambient temperature min. (°C)
-40
Ambient temperature max. (°C)
100
Operating voltage
DC
Electrical output
Voltage output (3-wire)
Pressure type
Relative pressure
Material pressure transducer
Stainless steel 1.4404 (AISI 316L)
Pressure range
0…517.11 bar
Főbb jellemzők
Electrical output
Voltage output (3-wire)
Process connection
7/16″-20 UNF male thread
Pressure range
0…517.11 bar
Raktáron
Árcsoport
J1
Listaár
152,00 EUR
home
Turck-Shop
Sensors
Pressure Sensors
PT7500PSIG-2105-U6-MP11
Tétel összesen
152,00 EUR
Mennyiség
−
+
add_shopping_cart
Hozzáadás a kosárhoz
Ügyfélszolgálat felkeresése